お電話・ファックスでのお問い合わせ
tel 03-3668-3618 fax 03-3668-3617
圧力容器(加圧・減圧・真空)

PVCLJジャケット脚付加圧容器(シングルポート)は、温調ジャケットにより内容液の温度を安定制御(保温・冷却)しつつ、エアー/窒素で安全に圧送できるサニタリー仕様のステンレス圧力容器です。
30〜80Lの標準容量、SUS304/316Lに対応し、内外面バフ研磨で洗浄性・衛生性を確保。センター1口(ヘルール)のシンプル構成は着脱・洗浄・メンテナンスが容易です。キャスター脚によりライン間の移動や段取り替えもスムーズ。
密閉圧送・加圧ろ過・保管など多様な工程に対応し、ジャケットIN/OUT(15Aヘルール)、安全弁・圧力計・レベル計・各種継手、既設設備との接続など、用途に合わせたカスタム設計・コンビネーションにも柔軟に対応します。
●容量:30L~80L
●材質:SUS304 , SUS316L
●板厚:T=2.0mm(標準)
●表面仕上げ:内外面バフ研磨
●ジャケットノズル(IN/OUT):15Aヘルール
●ヘルール(シングルポート):センター×1口
●ガスケット類:シリコンゴム他
●脚本数:型式により3本脚または4本脚(PVLJ-40-40以上は4本脚)
・使用圧力 本体:0~0.18MPa
・使用圧力 ジャケット:0~0.09MPa
・使用温度 本体:常温
・使用温度 ジャケット:冷水~温水
・必ず最高使用圧力以内でご使用ください。
・容器または配管にリリーフバルブ等の安全装置を取り付けてご使用ください。
・内圧が残っている場合は、クランプ等を絶対にゆるめないでください。
・スチーム、または加熱・化学反応によって蒸気の発生する容器としては絶対に使用しないで下さい。
・弊社では第二種圧力容器・小型圧力容器の製作が可能です。
・当モデルをベースにした第二種圧力容器・小型圧力容器の製作は別途設計いたします。
サニタリー仕様による高い洗浄性とクリーンな液送を実現する、加圧液送ユニットおよび各種パーツの取付例をご紹介します。
用途や運用条件に合わせて、さまざまなアクセサリーの取付カスタマイズにも柔軟に対応可能です。

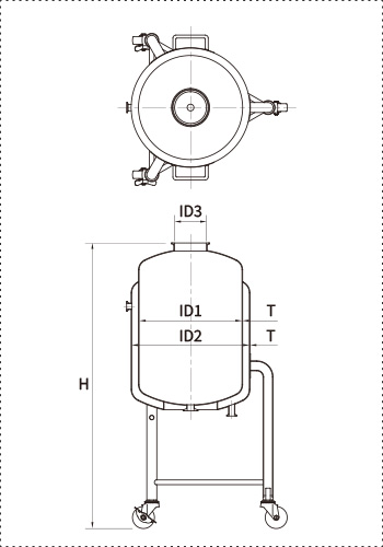
| 型式 | 容量 | ID1 | ID2 | ID3 | 全高 H | 標準価格(円) | 納期 | |
|---|---|---|---|---|---|---|---|---|
| (L) | (mm) | (mm) | (mm) | (mm) | SUS304 | SUS316L | (日) | |
| PVCLJ-35-30 | 30 | 350 | 400 | 108.3 (4.5S) | 870 | @ | @ | 30 |
| PVCLJ-35-35 | 35 | 350 | 400 | 108.3 (4.5S) | 920 | @ | @ | 30 |
| PVCLJ-35-40 | 40 | 350 | 400 | 108.3 (4.5S) | 970 | @ | @ | 30 |
| PVCLJ-40-40 | 40 | 400 | 450 | 133.8 (5S) | 890 | @ | @ | 30 |
| PVCLJ-40-50 | 50 | 400 | 450 | 133.8 (5S) | 970 | @ | @ | 30 |
| PVCLJ-40-60 | 60 | 400 | 450 | 133.8 (5S) | 1040 | @ | @ | 30 |
| PVCLJ-45-60 | 60 | 450 | 500 | 159.2 (6S) | 960 | @ | @ | 30 |
| PVCLJ-45-70 | 70 | 450 | 500 | 159.2 (6S) | 1020 | @ | @ | 30 |
| PVCLJ-45-80 | 80 | 450 | 500 | 159.2 (6S) | 1090 | @ | @ | 30 |
・標準価格は、税抜き価格です。
・標準価格(@)は、都度お見積です。
・納期日数は営業日換算の目安です。実際の納期は前後する場合があります。
・PVCLJジャケット脚付加圧容器(シングルポート)は、受注生産品です。
・表記の納期は目安であり、ご注文数量や仕様変更等によって前後することがございます。
サイト内検索