お電話・ファックスでのお問い合わせ
tel 03-3668-3618 fax 03-3668-3617
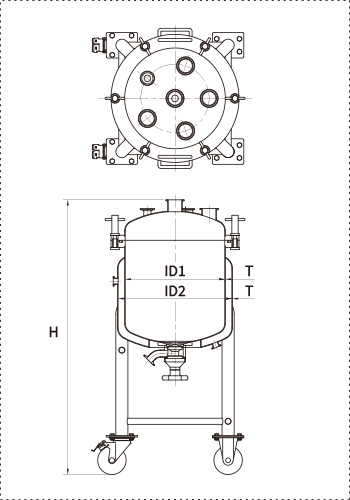
圧力容器(加圧・減圧・真空)

ジャケットによる内容液の加温・冷却と、ダイヤフラム式タンク底バルブによるデッドスペース最小設計が特長の、脚付フランジオープン式ステンレス加圧容器シリーズです。
攪拌機との併用にも最適で、密閉状態での圧送や加圧濾過など、多様なプロセスに対応します。
サニタリー仕様で洗浄性に優れ、衛生管理が求められる現場にも最適。
お客様のご使用条件や用途に合わせて、カスタム加圧容器や他機能とのコンビネーション加圧容器など、カスタマイズにも柔軟に対応します。
●容量:20L~200L
●材質:SUS304 , SUS316L
●板厚:T=2.0mm(標準)
●表面仕上げ:内外面バフ研磨
●ジャケットノズル(IN/OUT):15Aヘルール
●蓋ヘルール:1S×1口、2S×5口
●ガスケット類:シリコンゴム他
●タンク底バルブ:1S、手動
●脚本数:型式により3本脚または4本脚(PVOLJ-B-40-40以上は4本脚)
・使用圧力 本体:0~0.18MPa
・使用圧力 ジャケット:0~0.09MPa
・使用温度 本体:常温
・使用温度 ジャケット:冷水~温水
・必ず最高使用圧力以内でご使用ください。
・容器または配管にリリーフバルブ等の安全装置を取り付けてご使用ください。
・内圧が残っている場合は、クランプ等を絶対にゆるめないでください。
・スチーム、または加熱・化学反応によって蒸気の発生する容器としては絶対に使用しないで下さい。
・弊社では第二種圧力容器・小型圧力容器の製作が可能です。
・当モデルをベースにした第二種圧力容器・小型圧力容器の製作は別途設計いたします。
サニタリー仕様による高い洗浄性とクリーンな液送を実現する、加圧液送ユニットおよび各種パーツの取付例をご紹介します。
用途や運用条件に合わせて、さまざまなアクセサリーの取付カスタマイズにも柔軟に対応可能です。

【標準価格:フランジ型バルブ仕様】
| 型式 | 容量 | ID1 | ID2 | 全高 H | 標準価格(円) | 納期 | |
|---|---|---|---|---|---|---|---|
| (L) | (mm) | (mm) | (mm) | SUS304 | SUS316L | (日) | |
| PVOLJ-B-30-20 | 20 | 300 | 350 | 890 | 1,416,000 | 1,584,000 | 30 |
| PVOLJ-B-30-25 | 25 | 300 | 350 | 960 | 1,428,000 | 1,608,000 | 30 |
| PVOLJ-B-30-30 | 30 | 300 | 350 | 1030 | 1,452,000 | 1,620,000 | 30 |
| PVOLJ-B-35-30 | 30 | 350 | 400 | 930 | 1,656,000 | 1,872,000 | 30 |
| PVOLJ-B-35-35 | 35 | 350 | 400 | 980 | 1,680,000 | 1,908,000 | 30 |
| PVOLJ-B-35-40 | 40 | 350 | 400 | 1030 | 1,704,000 | 1,932,000 | 30 |
| PVOLJ-B-40-40 | 40 | 400 | 450 | 960 | 1,836,000 | 2,088,000 | 30 |
| PVOLJ-B-40-50 | 50 | 400 | 450 | 1040 | 1,860,000 | 2,112,000 | 30 |
| PVOLJ-B-40-60 | 60 | 400 | 450 | 1120 | 1,884,000 | 2,148,000 | 30 |
| PVOLJ-B-45-60 | 60 | 450 | 500 | 1040 | 1,992,000 | 2,280,000 | 30 |
| PVOLJ-B-45-70 | 70 | 450 | 500 | 1100 | 2,028,000 | 2,316,000 | 30 |
| PVOLJ-B-45-80 | 80 | 450 | 500 | 1160 | 2,052,000 | 2,340,000 | 30 |
| PVOLJ-B-50-80 | 80 | 500 | 550 | 1080 | 2,160,000 | 2,472,000 | 30 |
| PVOLJ-B-50-90 | 90 | 500 | 550 | 1130 | 2,196,000 | 2,520,000 | 30 |
| PVOLJ-B-50-100 | 100 | 500 | 550 | 1180 | 2,220,000 | 2,544,000 | 30 |
| PVOLJ-B-55-100 | 100 | 550 | 600 | 1120 | 2,556,000 | 2,916,000 | 30 |
| PVOLJ-B-55-150 | 150 | 550 | 600 | 1330 | 2,592,000 | 2,964,000 | 30 |
| PVOLJ-B-60-150 | 150 | 600 | 650 | 1250 | 2,808,000 | 3,228,000 | 30 |
| PVOLJ-B-60-200 | 200 | 600 | 650 | 1430 | 2,844,000 | 3,276,000 | 30 |
・標準価格は、税抜き価格です。
・標準価格(@)は、都度お見積です。
・納期日数は営業日換算の目安です。実際の納期は前後する場合があります。
・PVOLJ-B脚付フランジオープンジャケット加圧容器・タンク底バルブは、受注生産品です。
・表記の納期は目安であり、ご注文数量や仕様変更等によって前後することがございます。
サイト内検索
カスタマイズポイント:蓋ヘルールの変更に対応し、多様な配管・計器接続に柔軟に対応。 マグネオシールミキサーRC搭載、サニタリーリリーフ弁SSVやサニタリーバッフルBFなど加圧圧送部品類を装備したジャケット加圧容器。 タンク底バルブ付きで効率的な排出が可能な温調攪拌ジャケット加圧容器。 耐圧型攪拌機を偏心取付け、攪拌効率を向上させたカスタム仕様。