お電話・ファックスでのお問い合わせ
tel 03-3668-3618 fax 03-3668-3617
圧力容器(加圧・減圧・真空)

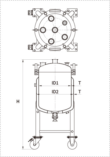
PVOLJ-BVは、ジャケットによる温調(加温・冷却)とタンク底ボールバルブを標準装備した、脚付フランジオープン型のサニタリー加圧容器シリーズです。
デッドスペースを抑えた排出性と高い洗浄性・密閉性を両立し、衛生管理が求められる工程にも適しています。
ヘルール接続によりアクセサリーの着脱や保守が容易で、攪拌機とのコンビネーションや密閉圧送・加圧濾過など多様なプロセスに対応。容量20〜200L、SUS304/316Lに対応し、脚本数(3本/4本)は型式ごとに最適化。
用途・条件に合わせてノズル構成の変更や各種アクセサリー追加など、柔軟なカスタム製作が可能です。
●容量:20L~200L
●材質:SUS304 , SUS316L
●板厚:T=2.0mm(標準)
●表面仕上げ:内外面バフ研磨
●ジャケットノズル(IN/OUT):15Aヘルール
●蓋ヘルール:1S×1口、2S×5口
●タンク底ボールバルブ:1S、手動
●ガスケット類:シリコンゴム他
●脚本数:型式により3本脚または4本脚(PVOLJ-BV-40-40以上は4本脚)
・使用圧力 本体:0~0.18MPa
・使用圧力 ジャケット:0~0.09MPa
・使用温度 本体:常温
・使用温度 ジャケット:冷水~温水
・必ず最高使用圧力以内でご使用ください。
・容器または配管にリリーフバルブ等の安全装置を取り付けてご使用ください。
・内圧が残っている場合は、クランプ等を絶対にゆるめないでください。
・スチーム、または加熱・化学反応によって蒸気の発生する容器としては絶対に使用しないで下さい。
・弊社では第二種圧力容器・小型圧力容器の製作が可能です。
・当モデルをベースにした第二種圧力容器・小型圧力容器の製作は別途設計いたします。
サニタリー仕様による高い洗浄性とクリーンな液送を実現する、加圧液送ユニットおよび各種パーツの取付例をご紹介します。
用途や運用条件に合わせて、さまざまなアクセサリーの取付カスタマイズにも柔軟に対応可能です。

【標準価格:フランジ型バルブ仕様】
| 型式 | 容量 | ID1 | ID2 | 全高 H | 標準価格(円) | 納期 | |
|---|---|---|---|---|---|---|---|
| (L) | (mm) | (mm) | (mm) | SUS304 | SUS316L | (日) | |
| PVOLJ-BV-30-20 | 20 | 300 | 350 | 890 | 1,416,000 | 1,584,000 | 30 |
| PVOLJ-BV-30-25 | 25 | 300 | 350 | 960 | 1,428,000 | 1,608,000 | 30 |
| PVOLJ-BV-30-30 | 30 | 300 | 350 | 1030 | 1,452,000 | 1,620,000 | 30 |
| PVOLJ-BV-35-30 | 30 | 350 | 400 | 930 | 1,656,000 | 1,872,000 | 30 |
| PVOLJ-BV-35-35 | 35 | 350 | 400 | 980 | 1,680,000 | 1,908,000 | 30 |
| PVOLJ-BV-35-40 | 40 | 350 | 400 | 1030 | 1,704,000 | 1,932,000 | 30 |
| PVOLJ-BV-40-40 | 40 | 400 | 450 | 960 | 1,836,000 | 2,088,000 | 30 |
| PVOLJ-BV-40-50 | 50 | 400 | 450 | 1040 | 1,860,000 | 2,112,000 | 30 |
| PVOLJ-BV-40-60 | 60 | 400 | 450 | 1120 | 1,884,000 | 2,148,000 | 30 |
| PVOLJ-BV-45-60 | 60 | 450 | 500 | 1040 | 1,992,000 | 2,280,000 | 30 |
| PVOLJ-BV-45-70 | 70 | 450 | 500 | 1100 | 2,028,000 | 2,316,000 | 30 |
| PVOLJ-BV-45-80 | 80 | 450 | 500 | 1160 | 2,052,000 | 2,340,000 | 30 |
| PVOLJ-BV-50-80 | 80 | 500 | 550 | 1080 | 2,160,000 | 2,472,000 | 30 |
| PVOLJ-BV-50-90 | 90 | 500 | 550 | 1130 | 2,196,000 | 2,520,000 | 30 |
| PVOLJ-BV-50-100 | 100 | 500 | 550 | 1180 | 2,220,000 | 2,544,000 | 30 |
| PVOLJ-BV-55-100 | 100 | 550 | 600 | 1120 | 2,556,000 | 2,916,000 | 30 |
| PVOLJ-BV-55-150 | 150 | 550 | 600 | 1330 | 2,592,000 | 2,964,000 | 30 |
| PVOLJ-BV-60-150 | 150 | 600 | 650 | 1250 | 2,808,000 | 3,228,000 | 30 |
| PVOLJ-BV-60-200 | 200 | 600 | 650 | 1430 | 2,844,000 | 3,276,000 | 30 |
・標準価格は、税抜き価格です。
・標準価格(@)は、都度お見積です。
・納期日数は営業日換算の目安です。実際の納期は前後する場合があります。
・PVOLJ-B脚付フランジオープンジャケット加圧容器・タンク底バルブは、受注生産品です。
・表記の納期は目安であり、ご注文数量や仕様変更等によって前後することがございます。
サイト内検索